logo

औद्योगिक स्वचालन और सटीक स्ट्रोक ग्राहक की आवश्यकता वाले अनुप्रयोगों के लिए ओईएम कस्टम कंट्रोल केबल अनुरूप समाधान

औद्योगिक स्वचालन और सटीक स्ट्रोक ग्राहक की आवश्यकता वाले अनुप्रयोगों के लिए ओईएम कस्टम कंट्रोल केबल अनुरूप समाधान
विशेषताएं गेलरी उत्पाद विवरण एक बोली का अनुरोध
विशेषताएं
निर्दिष्टीकरण
Mounting Options: Fixed, Bulkhead, Or Specialized Mounts
Flexibility: High Flex
Package: Wood Case / Carton / Bubble Film
Stroke: 50 ~ 130mm, Customer Requires
Colorcode: Standard Or Custom Color Coding
Shielding: Foil Shield With Drain Wire
Insulation Material: UV And Abrasion Resistant
Ext Efficiency Factor: .001
प्रमुखता देना:

कस्टम कंट्रोल केबल औद्योगिक स्वचालन

,

कस्टम कंट्रोल केबल सटीक स्ट्रोक

,

ओईएम कंट्रोल केबल अनुरूप समाधान

मूलभूत जानकारी
भुगतान & नौवहन नियमों
उत्पाद विवरण

उत्पाद विवरण:

यह कस्टम कंट्रोल केबल विभिन्न औद्योगिक और वाणिज्यिक अनुप्रयोगों की विशिष्ट आवश्यकताओं को पूरा करने के लिए डिज़ाइन किया गया एक अत्यधिक बहुमुखी और टिकाऊ समाधान है। सटीकता और विस्तार पर ध्यान देकर निर्मित, यह कस्टम कंट्रोल केबल असाधारण प्रदर्शन प्रदान करता है, जिससे यह उन उपयोगकर्ताओं के लिए एक आदर्श विकल्प बन जाता है जो विश्वसनीयता और अनुकूलन की मांग करते हैं। चाहे आपको ऑटोमेशन सिस्टम, मशीनरी नियंत्रण, या इंस्ट्रूमेंटेशन के लिए केबल की आवश्यकता हो, इस उत्पाद को आपकी सटीक विशिष्टताओं के अनुरूप बनाया जा सकता है, जिससे इष्टतम कार्यक्षमता और दक्षता सुनिश्चित होती है।

इस कस्टम कंट्रोल केबल की एक प्रमुख विशेषता इसकी OEM संगतता है। इसका मतलब है कि केबल को मूल उपकरण निर्माता (OEM) सिस्टम के साथ निर्बाध रूप से एकीकृत करने के लिए कस्टम-डिज़ाइन और उत्पादित किया जा सकता है, जो आपके मौजूदा उपकरणों के लिए एक आदर्श मेल प्रदान करता है। OEM विकल्प सुनिश्चित करता है कि आपको एक ऐसा केबल मिले जो विशेष रूप से आपके एप्लिकेशन की अनूठी मांगों को पूरा करने के लिए इंजीनियर किया गया हो, जिससे आपके नियंत्रण प्रणालियों के समग्र प्रदर्शन और दीर्घायु में वृद्धि हो।

कस्टम कंट्रोल केबल की जैकेट सामग्री तीन उच्च-गुणवत्ता वाले विकल्पों में उपलब्ध है: पीवीसी, पीई और रबर। प्रत्येक सामग्री को पर्यावरणीय कारकों, यांत्रिक तनाव और रासायनिक जोखिमों के खिलाफ बेहतर सुरक्षा प्रदान करने के लिए चुना गया है। पीवीसी जैकेट घर्षण और रसायनों के प्रति उत्कृष्ट प्रतिरोध प्रदान करते हैं, जिससे वे औद्योगिक वातावरण की एक विस्तृत श्रृंखला के लिए उपयुक्त होते हैं। पीई जैकेट उत्कृष्ट नमी प्रतिरोध और स्थायित्व प्रदान करते हैं, जो बाहरी और कठोर परिस्थितियों के लिए आदर्श हैं। दूसरी ओर, रबर जैकेट असाधारण लचीलापन और लचीलापन प्रदान करते हैं, जिससे वे उन अनुप्रयोगों के लिए एकदम सही होते हैं जिनमें लगातार गति और झुकने की आवश्यकता होती है।

इस कस्टम कंट्रोल केबल का एक महत्वपूर्ण गुण इसका लचीलापन है, और यह अपने उच्च फ्लेक्स डिज़ाइन के साथ इस संबंध में उत्कृष्ट है। केबल को इसकी संरचनात्मक अखंडता या विद्युत प्रदर्शन से समझौता किए बिना बार-बार झुकने और मुड़ने का सामना करने के लिए इंजीनियर किया गया है। यह उच्च फ्लेक्स क्षमता इसे गतिशील अनुप्रयोगों के लिए उपयुक्त बनाती है जहां केबल लगातार गति के अधीन होते हैं, जैसे रोबोटिक्स, स्वचालित मशीनरी और चलती उपकरण में। उपयोगकर्ता मांग वाले यांत्रिक तनावों के तहत भी लगातार चालकता और सिग्नल अखंडता बनाए रखने के लिए केबल पर भरोसा कर सकते हैं।

इन्सुलेशन एक और क्षेत्र है जहां यह कस्टम कंट्रोल केबल चमकता है। इसमें यूवी और घर्षण प्रतिरोधी इन्सुलेशन सामग्री है जो पर्यावरणीय टूट-फूट के खिलाफ लंबे समय तक चलने वाली सुरक्षा सुनिश्चित करती है। यूवी प्रतिरोध लंबे समय तक सूर्य के प्रकाश के संपर्क में रहने से होने वाले क्षरण को रोकने में मदद करता है, जिससे केबल बाहरी स्थापनाओं के लिए आदर्श बन जाता है। घर्षण प्रतिरोधी गुण केबल को घर्षण और खुरदरी सतहों के संपर्क से होने वाले शारीरिक नुकसान से बचाते हैं, जिससे केबल की सेवा जीवन का विस्तार होता है और रखरखाव लागत कम होती है।

इसके अलावा, कस्टम कंट्रोल केबल में 0.001 का एक असाधारण एक्सट एफिशिएंसी फैक्टर (Ext Efficiency Factor) है। यह दक्षता कारक ऊर्जा हानि को कम करने और इष्टतम विद्युत प्रदर्शन बनाए रखने के लिए केबल की बेहतर क्षमता को उजागर करता है। इतना कम दक्षता कारक इंगित करता है कि केबल न्यूनतम प्रतिरोध और गर्मी उत्पादन के साथ प्रदर्शन करता है, जो ऊर्जा बचत और विद्युत प्रणालियों में बढ़ी हुई सुरक्षा में योगदान देता है।

संक्षेप में, कस्टम कंट्रोल केबल एक प्रीमियम उत्पाद है जो अनुकूलन योग्य विकल्पों को मजबूत सामग्री और उन्नत इंजीनियरिंग के साथ जोड़ता है। इसकी OEM संगतता सुनिश्चित करती है कि इसे विशिष्ट उपकरण आवश्यकताओं के अनुरूप बनाया जा सकता है, जबकि जैकेट सामग्री - पीवीसी, पीई और रबर - विभिन्न पर्यावरणीय परिस्थितियों में अनुकूलन क्षमता की अनुमति देती है। उच्च फ्लेक्स डिज़ाइन गतिशील अनुप्रयोगों में स्थायित्व और प्रदर्शन की गारंटी देता है, और यूवी और घर्षण प्रतिरोधी इन्सुलेशन कठोर बाहरी कारकों के खिलाफ विश्वसनीय सुरक्षा प्रदान करता है। 0.001 के प्रभावशाली एक्सट एफिशिएंसी फैक्टर के साथ, यह कस्टम कंट्रोल केबल उत्कृष्ट विद्युत दक्षता और दीर्घायु प्रदान करता है। चाहे औद्योगिक स्वचालन, नियंत्रण प्रणाली, या विशेष उपकरणों के लिए हो, यह केबल उन लोगों के लिए आदर्श समाधान है जो एक विश्वसनीय और अनुकूलन योग्य कंट्रोल केबल विकल्प की तलाश में हैं।


विशेषताएं:

  • बहुमुखी अनुप्रयोगों के लिए डिज़ाइन किया गया उच्च-गुणवत्ता वाला कस्टम कंट्रोल केबल
  • 300V की वोल्टेज रेटिंग विश्वसनीय प्रदर्शन सुनिश्चित करती है
  • स्टील वायर, पीपी, हार्डवेयर और रबर सहित टिकाऊ कच्चे माल से निर्मित
  • बढ़ी हुई सुरक्षा के लिए उपलब्ध जैकेट सामग्री: पीवीसी, पीई और रबर
  • निश्चित, बल्कहेड, या विशेष माउंट सहित लचीले माउंटिंग विकल्प
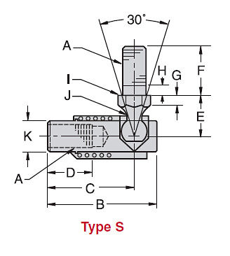
  • विशिष्ट आवश्यकताओं के अनुरूप 2 MM से 10 MM तक कस्टम करने योग्य केबल व्यास
  • आपकी आवश्यकताओं के अनुरूप आदर्श कस्टम कंट्रोल केबल समाधान
  • विभिन्न वातावरणों में स्थायित्व और दीर्घायु के लिए इंजीनियर किया गया

तकनीकी पैरामीटर:

बाहरी शीथ पीवीसी, रबर, नायलॉन, पॉलीथीन
ज्वाला मंदक हाँ
माउंटिंग विकल्प निश्चित, बल्कहेड, या विशेष माउंट
इन्सुलेशन सामग्री यूवी और घर्षण प्रतिरोधी
शील्डिंग ड्रेन वायर के साथ फॉयल शील्ड
स्ट्रोक 50 ~ 130 मिमी, ग्राहक की आवश्यकतानुसार
कलरकोड मानक या कस्टम रंग कोडिंग
लचीलापन उच्च फ्लेक्स
केबल व्यास 2 मिमी - 10 मिमी (कस्टम करने योग्य)
जैकेट सामग्री पीवीसी, पीई, रबर

यह कस्टम कंट्रोल केबल उच्च लचीलापन और स्थायित्व के साथ डिज़ाइन किया गया है, जिसमें यूवी और घर्षण प्रतिरोधी इन्सुलेशन सामग्री है। कस्टम कंट्रोल केबल विभिन्न बाहरी शीथ और जैकेट सामग्री विकल्प प्रदान करता है, जिसमें पीवीसी, रबर, नायलॉन और पॉलीथीन शामिल हैं। यह निश्चित, बल्कहेड, या विशेष माउंट जैसे कई माउंटिंग विकल्पों का समर्थन करता है। इष्टतम प्रदर्शन सुनिश्चित करने के लिए शील्डिंग में ड्रेन वायर के साथ एक फॉयल शील्ड शामिल है। केबल व्यास 2 मिमी से 10 मिमी तक अनुकूलन योग्य है ताकि ग्राहक की आवश्यकताओं को पूरा किया जा सके, जिसमें 50 से 130 मिमी तक की स्ट्रोक लंबाई भी शामिल है। रंग कोडिंग मानक या कस्टम हो सकती है, जिससे यह कस्टम कंट्रोल केबल विविध अनुप्रयोगों के लिए उपयुक्त हो जाता है।


अनुप्रयोग:

कस्टम कंट्रोल केबल को विभिन्न औद्योगिक और वाणिज्यिक अनुप्रयोगों की मांग वाली आवश्यकताओं को पूरा करने के लिए डिज़ाइन किया गया है जहां सटीक नियंत्रण और विश्वसनीय सिग्नल ट्रांसमिशन आवश्यक है। इसके उन्नत शील्डिंग के लिए धन्यवाद, जिसमें ड्रेन वायर के साथ एक फॉयल शील्ड है, कस्टम कंट्रोल केबल विद्युत रूप से शोर वाले वातावरण में भी स्पष्ट और निर्बाध सिग्नल प्रवाह सुनिश्चित करते हुए, विद्युत चुम्बकीय हस्तक्षेप (ईएमआई) और रेडियो फ्रीक्वेंसी हस्तक्षेप (आरएफआई) के खिलाफ उत्कृष्ट सुरक्षा प्रदान करता है। यह इसे ऑटोमेशन सिस्टम, रोबोटिक्स और विनिर्माण उपकरण में अनुप्रयोगों के लिए एक आदर्श विकल्प बनाता है जहां सिग्नल अखंडता महत्वपूर्ण है।

.001 के एक असाधारण एक्सटेंशन एफिशिएंसी फैक्टर (extension efficiency factor) के साथ, कस्टम कंट्रोल केबल गतिशील अनुप्रयोगों में उत्कृष्ट प्रदर्शन प्रदान करता है, जहां केबल को बार-बार गति, झुकने या मुड़ने से गुजरना पड़ता है। यह कम दक्षता कारक सिग्नल हानि को कम करता है और नियंत्रण संकेतों में स्थिरता बनाए रखता है, जिससे केबल सीएनसी मशीनों, कन्वेयर सिस्टम और स्वचालित उत्पादन लाइनों में उपयोग के लिए उपयुक्त हो जाता है। कस्टम करने योग्य केबल व्यास, 2 मिमी से 10 मिमी तक, विशिष्ट स्थापना आवश्यकताओं के अनुरूप अनुकूलित समाधानों की अनुमति देता है, चाहे वह कॉम्पैक्ट, स्थान-बाधित सेटअप के लिए हो या अधिक मजबूत औद्योगिक वातावरण के लिए।

कस्टम कंट्रोल केबल के लिए पैकेजिंग विकल्पों में लकड़ी के केस, कार्टन और बबल फिल्म शामिल हैं, जो सुरक्षित और क्षति-मुक्त परिवहन और भंडारण प्रदान करते हैं। पैकेजिंग में यह बहुमुखी प्रतिभा सुनिश्चित करती है कि केबल इष्टतम स्थिति में पहुंचे, जो विभिन्न सेटिंग्स में तत्काल तैनाती के लिए तैयार हो। इसके अतिरिक्त, केबल निश्चित, बल्कहेड, या विशेष माउंट जैसे कई माउंटिंग विकल्पों का समर्थन करता है, जो विभिन्न उपकरणों और नियंत्रण पैनलों के भीतर स्थापना और एकीकरण में लचीलापन प्रदान करता है। यह अनुकूलन क्षमता कस्टम कंट्रोल केबल को समुद्री अनुप्रयोगों, एयरोस्पेस सिस्टम और भारी मशीनरी सहित विभिन्न परिदृश्यों की एक विस्तृत श्रृंखला के लिए उपयुक्त बनाती है।

संक्षेप में, कस्टम कंट्रोल केबल किसी भी ऐसे एप्लिकेशन के लिए एक उत्कृष्ट समाधान है जिसमें मजबूत शील्डिंग, उच्च एक्सटेंशन दक्षता और कस्टम आयामों की आवश्यकता होती है। इसकी बहुमुखी पैकेजिंग और माउंटिंग विकल्प विभिन्न नियंत्रण और स्वचालन परिदृश्यों के लिए इसकी उपयुक्तता को और बढ़ाते हैं। चाहे औद्योगिक स्वचालन, रोबोटिक्स, या विशेष मशीनरी में उपयोग किया जाए, कस्टम कंट्रोल केबल मांग वाले वातावरण में विश्वसनीय प्रदर्शन और लंबे समय तक चलने वाली स्थायित्व सुनिश्चित करता है।


अनुकूलन:

हमारी कस्टम कंट्रोल केबल सेवाएं आपकी विशिष्ट आवश्यकताओं को पूरा करने के लिए डिज़ाइन की गई हैं, जिनमें 300V की वोल्टेज रेटिंग है, जो विभिन्न अनुप्रयोगों में विश्वसनीय प्रदर्शन सुनिश्चित करती है। हम बढ़ी हुई सुरक्षा और उद्योग मानकों के अनुपालन के लिए फ्लेमरेटार्डेंट कस्टम कंट्रोल केबल विकल्प प्रदान करते हैं। परिवहन और भंडारण के दौरान आपके कस्टम कंट्रोल केबल की सुरक्षा के लिए पैकेजिंग विकल्पों में लकड़ी का केस, कार्टन या बबल फिल्म शामिल हैं। हम आपके अद्वितीय विनिर्देशों के अनुसार अपने कंट्रोल केबल को अनुकूलित करने की अनुमति देते हुए OEM सेवाएं भी प्रदान करते हैं। इसके अलावा, हमारे कस्टम कंट्रोल केबल उत्पादों में आपके प्रोजेक्ट में आसान पहचान और संगठन की सुविधा के लिए मानक या कस्टम रंग कोडिंग के साथ आते हैं।


समर्थन और सेवाएं:

हमारे कस्टम कंट्रोल केबल उत्पाद को इष्टतम प्रदर्शन और ग्राहक संतुष्टि सुनिश्चित करने के लिए व्यापक तकनीकी सहायता और सेवाओं द्वारा समर्थित किया गया है। हम आपकी एप्लिकेशन आवश्यकताओं के अनुरूप सही केबल विनिर्देशों को चुनने में आपकी सहायता करने के लिए चयन प्रक्रिया के दौरान विशेषज्ञ मार्गदर्शन प्रदान करते हैं।

हमारी तकनीकी सहायता टीम आपके कस्टम कंट्रोल केबल के जीवनकाल और विश्वसनीयता को अधिकतम करने के लिए स्थापना निर्देशों, समस्या निवारण और रखरखाव युक्तियों के साथ सहायता करने के लिए उपलब्ध है। हम विस्तृत उत्पाद दस्तावेज़ीकरण भी प्रदान करते हैं, जिसमें डेटाशीट, वायरिंग आरेख और अनुपालन प्रमाणन शामिल हैं।

कस्टम ऑर्डर के लिए, हम आपकी अनूठी विद्युत, यांत्रिक और पर्यावरणीय आवश्यकताओं को पूरा करने वाले केबल विकसित करने के लिए आपके साथ मिलकर काम करते हैं। हमारी सेवाओं में प्रोटोटाइप विकास, परीक्षण और गुणवत्ता आश्वासन शामिल हैं ताकि यह सुनिश्चित किया जा सके कि अंतिम उत्पाद उद्योग मानकों और आपकी सटीक विशिष्टताओं का पालन करता है।

इसके अतिरिक्त, हम किसी भी प्रदर्शन समस्या को हल करने और यदि आवश्यक हो तो प्रतिस्थापन या मरम्मत सेवाएं प्रदान करने के लिए बिक्री के बाद समर्थन प्रदान करते हैं। हमारी प्रतिबद्धता उत्पाद जीवनचक्र के दौरान उत्तरदायी और जानकार समर्थन के साथ टिकाऊ, उच्च-गुणवत्ता वाले कस्टम कंट्रोल केबल प्रदान करना है।


अक्सर पूछे जाने वाले प्रश्न:

Q1: कस्टम कंट्रोल केबल क्या है?

एक कस्टम कंट्रोल केबल एक विशेष रूप से डिज़ाइन किया गया केबल है जिसका उपयोग विभिन्न औद्योगिक और स्वचालन अनुप्रयोगों में नियंत्रण संकेतों को प्रसारित करने के लिए किया जाता है। इसे लंबाई, कंडक्टर प्रकार, इन्सुलेशन और जैकेट सामग्री के संबंध में विशिष्ट आवश्यकताओं को पूरा करने के लिए निर्मित किया जाता है।

Q2: कस्टम कंट्रोल केबल में किन सामग्रियों का उपयोग किया जाता है?

कस्टम कंट्रोल केबल आमतौर पर उत्कृष्ट चालकता के लिए तांबे के कंडक्टर का उपयोग करते हैं, जिसमें पीवीसी, एक्सएलपीई, या टीपीई जैसी सामग्रियों से बना इन्सुलेशन होता है। बाहरी जैकेट को पर्यावरणीय परिस्थितियों के आधार पर चुना जा सकता है, जिसमें पीवीसी, पॉलीयुरेथेन, या रबर जैसे विकल्प शामिल हैं।

Q3: क्या कस्टम कंट्रोल केबल को विशिष्ट लंबाई में बनाया जा सकता है?

हाँ, कस्टम कंट्रोल केबल को ग्राहक द्वारा आवश्यक किसी भी लंबाई में निर्मित किया जा सकता है ताकि विशेष स्थापना आवश्यकताओं को पूरा किया जा सके, जिससे न्यूनतम अपशिष्ट और इष्टतम प्रदर्शन सुनिश्चित हो सके।

Q4: क्या कस्टम कंट्रोल केबल कठोर वातावरण के लिए उपयुक्त हैं?

कस्टम कंट्रोल केबल को विशेष जैकेट और इन्सुलेशन सामग्री के साथ डिज़ाइन किया जा सकता है ताकि कठोर वातावरण का सामना किया जा सके, जिसमें रसायन, नमी, अत्यधिक तापमान और यांत्रिक तनाव के संपर्क में आना शामिल है।

Q5: मैं कस्टम कंट्रोल केबल में कंडक्टरों की संख्या और उनके गेज को कैसे निर्दिष्ट करूं?

कस्टम कंट्रोल केबल का ऑर्डर करते समय, आप अपने एप्लिकेशन की विद्युत और नियंत्रण सिग्नल आवश्यकताओं से मेल खाने के लिए आवश्यक कंडक्टरों की सटीक संख्या और गेज (AWG) निर्दिष्ट कर सकते हैं। हमारी टीम यह सुनिश्चित करने में मदद करेगी कि केबल आपकी विशिष्टताओं को पूरा करता है।


अनुशंसित उत्पाद
हम से संपर्क में रहें
व्यक्ति से संपर्क करें : Ms. lisa
दूरभाष : 13816744282
फैक्स : 86-021-37214610
शेष वर्ण(20/3000)